We’re here to assist you. Contact us anytime, and our team will respond promptly.

Mon - Fri 08:00 - 17:00
Our professionals have extensive experience with local construction laws and permitting procedures.
We value your time and resources, ensuring efficient and cost-effective permit processing.
Our commitment is to provide top-quality service, ensuring complete client satisfaction.
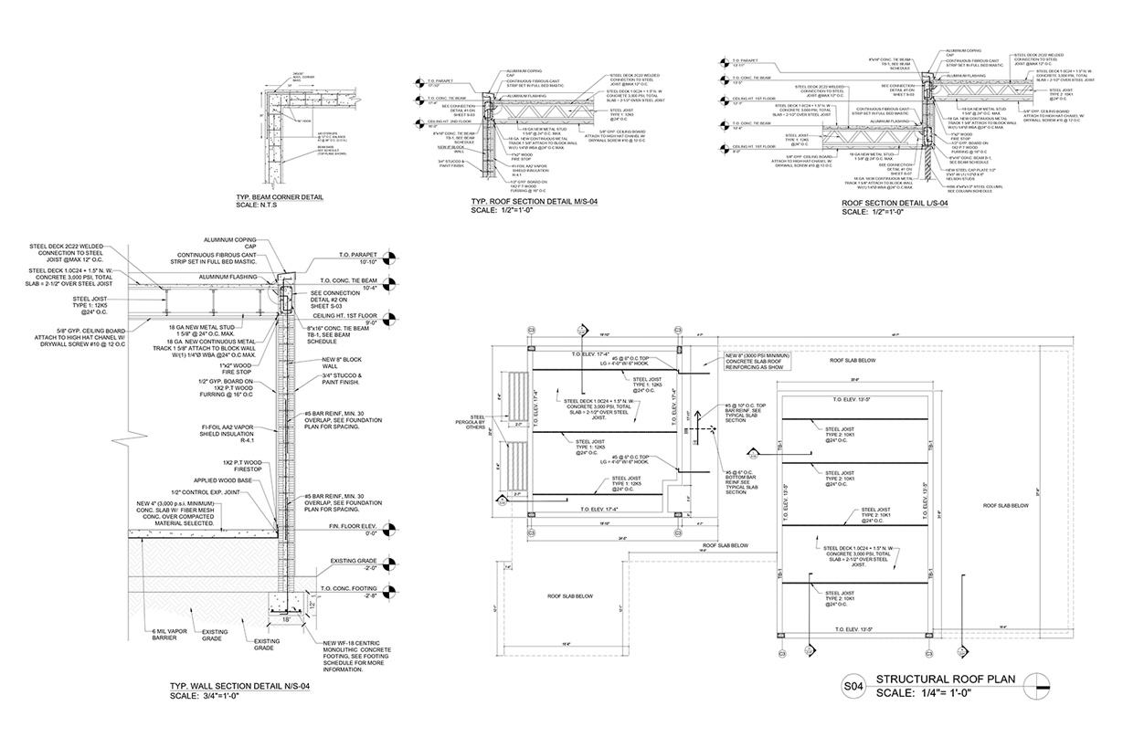
That specializes in the design and preparation of architectural plans, as well as consulting on construction, property renovation projects, and legal procedures—helping you complete them efficiently, cost-effectively, and in full compliance with the laws of the State of Florida.
Founded with a passion for architecture and engineering, Vanegas & Associates Consulting Inc. began as a small team of professionals dedicated to helping clients navigate complex construction regulations. Over the years, our commitment to efficiency and client satisfaction has established us as a trusted partner in the industry, ensuring projects are completed smoothly and successfully.
To provide expert architectural and engineering consulting services that ensure efficient, cost-effective, and legally compliant construction processes, delivering exceptional value to our clients.
To be the leading consulting firm in Miami, recognized for innovation, integrity, and a steadfast commitment to excellence in architectural and engineering solutions.
Founded with a passion for architecture and engineering, Vanegas & Associates Consulting Inc. began as a small team of professionals dedicated to helping clients navigate complex construction regulations. Over the years, our commitment to efficiency and client satisfaction has established us as a trusted partner in the industry, ensuring projects are completed smoothly and successfully.
To provide expert architectural and engineering consulting services that ensure efficient, cost-effective, and legally compliant construction processes, delivering exceptional value to our clients.
To be the leading consulting firm in Miami, recognized for innovation, integrity, and a steadfast commitment to excellence in architectural and engineering solutions.




Our experts understand local building codes and regulations, ensuring full compliance. We navigate complex permitting procedures efficiently. Avoid costly mistakes with our in-depth knowledge.
We expedite the approval process, reducing project delays and additional costs. Our team ensures permits are obtained as efficiently as possible. Stay on schedule and within budget.
We expedite the approval process, reducing project delays and additional costs. Our team ensures permits are obtained as efficiently as possible. Stay on schedule and within budget.
Our experts understand local building codes and regulations, ensuring full compliance. We navigate complex permitting procedures efficiently. Avoid costly mistakes with our in-depth knowledge.
We expedite the approval process, reducing project delays and additional costs. Our team ensures permits are obtained as efficiently as possible. Stay on schedule and within budget.
We expedite the approval process, reducing project delays and additional costs. Our team ensures permits are obtained as efficiently as possible. Stay on schedule and within budget.
We’re here to assist you. Contact us anytime, and our team will respond promptly.